SKORPION™
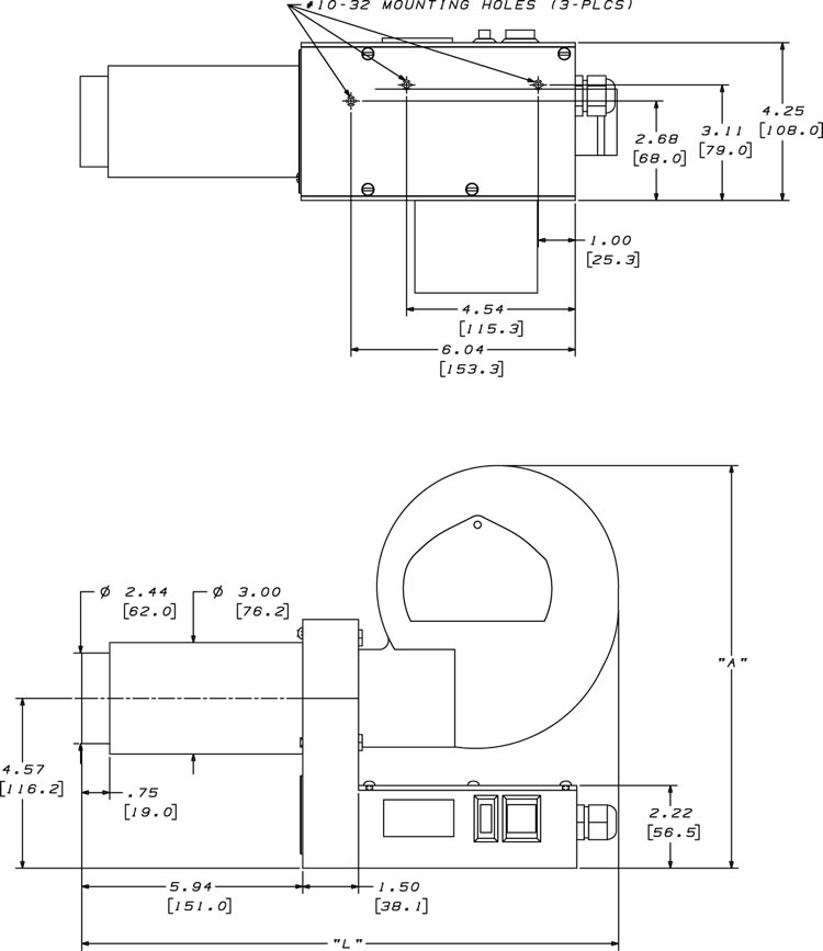
Specifications
· Air temperature controllable to 1400°F (760°C)
· Power ratings 1.5kW – 4.5kW 120/230 - 1φ
· Complete heater including blower and control unit that is ready to plug in and use
· Convenient digital display shows current operating temperature
· Built in over-temperature protection and a two-year limited warranty
· Models also available without blower for use with customer supplied air source
- Maximum inlet temperature 200°F (93°C)
- Recommended minimum airflow 2 SCFM
· RoHS compliant
Performance

Installation